Москва × О заводе Модельный ряд Услуги Инжиниринг Контакты info@quadro-technology.com
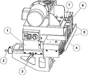
Четырехсторонний продольно-фрезерный станок для коротких заготовок QUADRO. Модель 512 GH
Четырехсторонний продольно-фрезерный станок для коротких заготовок QUADRO. Модель 512 GH
Москва

Четырехсторонний продольно-фрезерный станок для коротких заготовок QUADRO. Модель 512 GH

Четырехсторонний продольно-фрезерный станок для коротких заготовок QUADRO. Модель 512 GH
Характеристики

Скорость подачи м/мин 10 - 55

Шпиндель шт 5

Частота вращения шпинделей об/мин 8000

Вес кг 2650

Задать вопрос менеджеру 8 (800) 505 89 91
Цена по запросу

Получаемые изделия

Конструктивные особенности

ВЫСОКОСКОРОСТНЫЕ ПРЕЦИЗИОННЫЕ ДИНАМИЧЕСКИ СБАЛАНСИРОВАННЫЕ ШПИНДЕЛИ
ВЫСОКОСКОРОСТНЫЕ ПРЕЦИЗИОННЫЕ ДИНАМИЧЕСКИ СБАЛАНСИРОВАННЫЕ ШПИНДЕЛИ
Отвечают всем требованиям автоматизированного современного производства, проходят обязательную предварительную обкатку перед установкой на станок, маркировку, балансировку. Шпиндели собраны на базе самых точных в мире подшипников известной фирмы NACHI (Япония).
МАССИВНЫЕ ПРИЖИМНЫЕ ПЛИТЫ
МАССИВНЫЕ ПРИЖИМНЫЕ ПЛИТЫ
Установлены перед и после верхнего шпинделя и исключают вероятность заклинивания заготовок.
ПНЕВМАТИЧЕСКОЕ УПРАВЛЕНИЕ ПРИЖИМАМИ
ПНЕВМАТИЧЕСКОЕ УПРАВЛЕНИЕ ПРИЖИМАМИ
Станок оснащен регуляторами с помощью которых управляются все прижимы (ролики). Это обеспечивает безупречное позиционирование заготовки в процессе обработки в каждой зоне. Настройка усилия прижима каждой группы прижимов роликов производится быстро и удобно с центрального пульта управления, при этом нет необходимости открывать защитное ограждение.
ИНВЕРТОР
ИНВЕРТОР
Станок оснащен бесступенчатой регулировкой скорости подачи. Мощность привода двигателя подачи - 5,5 кВт
СМАЗКА РАБОЧЕГО СТОЛА
СМАЗКА РАБОЧЕГО СТОЛА
На стол в ручном режиме подается смазка с помощью насоса. Смазка необходима для снижения усилия на систему подачи, повышение качества заготовок за счет исключения налипания смолы и стружки.
ХРОМИРОВАННЫЙ ПОДАЮЩИЙ СТОЛ
ХРОМИРОВАННЫЙ ПОДАЮЩИЙ СТОЛ
Стол длиной почти 1800 мм покрыт хромом для повышения износостойкости.
Чугунная массивная литая станина, прошедшая точную механическую обработку за 1 установку
Чугунная массивная литая станина, прошедшая точную механическую обработку за 1 установку
А также специальную термическую обработку для снятия внутренних напряжений металла. Инновационная технология гарантирует максимальную жесткость, стабильность и долговечность станины, полностью исключает возможность возникновения вибрации даже при работе на высоких скоростях подачи или обработке массивных заготовок.
УСИЛЕННЫЕ КРЕСТОВИНЫ КАРДАНОВ И МАССИВНЫЕ ЛИТЫЕ РЕДУКТОРЫ
УСИЛЕННЫЕ КРЕСТОВИНЫ КАРДАНОВ И МАССИВНЫЕ ЛИТЫЕ РЕДУКТОРЫ
Станок обладает колоссальным запасом прочности для максимальных нагрузок и режимов работы.
ЭЛЕКТРОКОМПОНЕНТЫ
ЭЛЕКТРОКОМПОНЕНТЫ
В станке применяются электрокомпоненты ведущего мирового производителя – SIEMENS и SCHNEIDER.
ЦЕНТРАЛИЗОВАННАЯ СИСТЕМА СМАЗКИ УЗЛОВ
ЦЕНТРАЛИЗОВАННАЯ СИСТЕМА СМАЗКИ УЗЛОВ
Станок оснащен насосом для дистанционной смазки всех направляющих и трущихся элементов станка.
Автоматическая смазка рабочего стола по таймеру
Автоматическая смазка рабочего стола по таймеру
На стол в автоматическом режиме подается смазка через заданные промежутки времени. Смазка необходима для снижения усилия на систему подачи, повышение качества заготовок за счет исключения налипания смолы и стружки.
НАДЕЖНАЯ СИСТЕМА ПОДАЧИ И ФИКСАЦИИ ПИЛОМАТЕРИАЛА
НАДЕЖНАЯ СИСТЕМА ПОДАЧИ И ФИКСАЦИИ ПИЛОМАТЕРИАЛА
Система фиксации состоит из приводных роликов (расположенных как в столе, так и над столом. В столе станка расположены до 2 приводных ролика специального исполнения под пазы заготовок Необходимы для протяжки заготовок на высоких скоростях подачи, а также массивных заготовок естественной влажности.
БОКОВОЙ РОЛИКОВЫЙ ПРИЖИМНОЙ БЛОК
БОКОВОЙ РОЛИКОВЫЙ ПРИЖИМНОЙ БЛОК
2 блока установлены перед первым горизонтальным и напротив правого вертикального шпинделя, обеспечивает оптимальное прилегание заготовки к направляющей линейке, исключая вероятность получения брака, а также позволяет обработать изделия небольшого сечения.
УВЕЛИЧЕННАЯ ЧАСТОТА ВРАЩЕНИЯ ШПИНДЕЛЕЙ 8000 ОБ/МИН
УВЕЛИЧЕННАЯ ЧАСТОТА ВРАЩЕНИЯ ШПИНДЕЛЕЙ 8000 ОБ/МИН
Необходима для обработки твердых пород древесины на высоких скоростях подачи.
ЦЕПНОЕ ПОДАЮЩЕ УСТРОЙСТВО
ЦЕПНОЕ ПОДАЮЩЕ УСТРОЙСТВО
Станок оснащен цепным подающим устройством для обеспечения непрерывной подачи заготовок встык. К данному подающему устройству можно присоединить:

1. BFD400 x 1.5M + BFD 200 x 3M – ленточные конвейеры

или

2. СИСТЕМА ПОДАЧИ ДЛЯ КОРОТКИХ ЗАГОТОВОК ЦЕНТРОБЕЖНОГО ТИПА

Позволяет в непрерывном режиме осуществлять подачу коротких заготовок разной длины.
ГРАВИРОВАННЫЙ СТОЛ МЕЖДУ НИЖНИМИ ШПИНДЕЛЯМИ
ГРАВИРОВАННЫЙ СТОЛ МЕЖДУ НИЖНИМИ ШПИНДЕЛЯМИ
Позволяет достигать высокой точности строгания коротких заготовок благодаря жесткой фиксации заготовок параллельно вертикальным шпинделем.

Наши преимущества

Четырехсторонние станки QUADRO 512GH – это специальная серия станков для высокоточной обработки коротких заготовок для паркета, карандашей. Благодаря наличию гравированного стола, системы подачи центробежного типа и скорости обработки 55м/мин можно достигать высокой производительности и точной обработки коротких заготовок от 150 мм.

  • Литая станина
  • Цепной автоподатчик в комплекте
  • Длина заготовок от 150 мм
  • Гравированный стол
  • Скорость подачи 55 м/мин
  • Частота вращения шпинделе – 8000 об/мин

Характеристики

Модель
Ширина обрабатываемых заготовок мм
Толщина обрабатываемых заготовок мм
Минимальная длина обрабатываемых заготовок (одиночно/встык) мм
Скорость подачи м/мин
Частота вращения шпинделей об/мин
Диаметр шпинделей мм
Общая установленная мощность кВт
Диаметр подающих роликов на входе кВт
Количество шпинделей шт
Мощность первого нижнего шпинделя кВт
Мощность правого и левого шпинделей кВт
Мощность первого верхнего шпинделя кВт
Мощность второго нижнего шпинделя кВт
Мощность двигателя подачи кВт
Мощность двигателя подъема траверсы кВт
Диаметр патрубка под аспирацию мм
Диаметр резания (1-ый нижний шпиндель)
Диаметр резания (вертикальные шпиндели)
Диаметр резания (верхний горизонтальный шпиндель)
Диаметр резания (второй нижний горизонтальный шпиндель)
Давление в пневмосистеме MPa
Расход сжатого воздуха м3/мин
Скорость воздушного потока м/с
Потребность в воздухе для системы сбора пыли м3/мин
Габаритные размеры (Д х Ш х В) мм
Вес кг
512 GH
25 - 105
8 - 90
150 / 520
10 - 55
8000
40
23,25
140
5
3
3
3
4
5,5
0,75
120 х 5 шт.
Ø125 мм x δ10 мм x 4 шт. / Ø125 мм x δ9 мм x 1 шт. / Ø125 мм x δ18 мм x 1 шт.
Ø115 - Ø165 мм
Ø105 - Ø150 мм
Ø105 - Ø125 мм
0,3 - 0,6
0,15
30 - 35
180
3040 x 1350 x 1650
2650
Сервис
48ч
Качество и оперативность
Выезд на объект в течение 48 часов после обращения.
Умеренные цены
Одни из самых доступных цен на рынке
Pro
Высококвалифицированные специалисты
Штат фирмы укомплектован специалистами высочайшего уровня, способными не только устранить неполадку, но и проконсультировать по эксплуатационным качествам оборудования и дать рекомендации по его использованию.
Главная Каталог Контакты